Поиск по сайту:

 


По базе:  

микроэлектроника, микросхема, микроконтроллер, память, msp430, MSP430, Atmel, Maxim, LCD, hd44780, t6963, sed1335, SED1335, mega128, avr, mega128  
  Главная страница > Обзоры по типам > Микроконтроллеры > 68300 > Архитектура




Номенклатура и области применения микроконтроллеров
семейства 68300

В архитектуре микроконтроллеров 68300 использованы принципы, заложенные в микропроцессорном семействе 68000. Применение 32-разрядного процессора CPU32, имеющего широкий набор команд и способов адресации, расширение адресуемой памяти до 16 Мбайт и более, а также ряд других особенностей делают микроконтроллеры семейства 68300 весьма эффективным средством для реализации сложнофункциональных и высокопроизводительных систем. Эти системы могут использовать огромный объем программного обеспечения, разработанного для микропроцессорного семейства 68000, включая ассемблеры, компиляторы, отладчики, операционные системы, а также многочисленные пользовательские программы. Все это делает семейство 68300 перспективной элементной базой для реализации новых поколений систем управления.
    В табл.3.26 приведена номенклатура микроконтроллеров семейства 68300 и указан состав их модулей. Большинство моделей этого семейства содержат модуль системной интеграции SIM, модуль последовательного обмена QSM и таймерный процессор TPU, описанные в разделах 3.2-3.5. В этих микроконтроллерах отсутствует ПЗУ (кроме модели MC68333), но большинство моделей имеет дополнительное ОЗУ, которое служит для программирования различных таймерных функций, выполняемых TPU. Если же ОЗУ таймера или его часть не используется модулем TPU, то оно может служить в качестве расширения основного ОЗУ. Микроконтроллеры семейства имеют напряжение питания Vdd=5 В, максимальную тактовую частоту Ft=20 МГц и потребляемую мощность в рабочем режиме не более 600 мВт, которая снижается в режиме останова до 500 мкВт. Предусмотрено подключение к памяти пониженного резервного питания, что позволяет сохранить ее содержимое в режиме хранения. Все модели микроконтроллеров содержат сторожевое устройство (watchdog), таймер для реализации периодических прерываний, а также реализуют режим отладки BDM.

Таблица 3.26. Состав модулей и основные характеристики микроконтроллеров семейства 68300

Модель ОЗУ Кбайт ЭСППЗУ Кбайт Таймер ОЗУ таймера Входы-выходы Послед. порт АЦП Модуль интеграции
МС68331 - - GPT - 43 QSM - SIM
МС68332 2 - TPU - 47 QSM - SIM
МС68333 0,5 64 TPU 3,5 К 96 QSM 10р.,8вх SCIM
МС68334 - - TPU 1 К 47 - 10р.,8вх SCIM
МС68335 8 - TPU 2 К 47 QSM - SIM
МС68336 4 - TPU+CTM 3,5 К 96 QSM 10р.,8вх SIM
MC68376 4 - TPU+CTM 3,5 K 96 QSM+CAN 10р.,8вх SIM

Микроконтроллер MC68331 является наиболее простой моделью семейства 68300. Он не имеет внутренней памяти и модуля АЦП, использует более простой таймерный модуль GPT. Основное применение находит в системах регулирования и контрольно-измерительной аппаратуре.
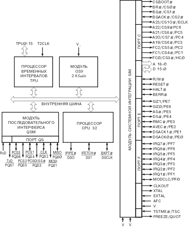
    Микроконтроллер MC68332 послужил базовой моделью, на основе которой реализован ряд последующих моделей. Получил широкое распространение в робототехнике, автомобильной электронике, устройствах управления электродвигателями, системах промышленной автоматики. Структура этого микроконтроллера показана на рис. 3.25. В состав микроконтроллера входят процессор CPU32, ОЗУ емкостью 2 Кбайт, модули SIM, QSM, TPU, ADC, подробно рассмотренные в разделах.

Рис. 3.25. Структура микроконтроллера MC68332

Микроконтроллер MC68333 является функциональным расширением модели MC68332, в которую введены электрически стираемое ППЗУ (Flash) емкостью 64 Кбайт, 10-разрядный АЦП c 8 аналоговыми входами, ОЗУ таймерного процессора емкостью 3,5 Кбайт. Разработанный первоначально для систем управления автомобильными двигателями, этот микроконтроллер в настоящее время находит также широкое применение в сложнофункциональной промышленной автоматике и связной аппаратуре.
    Микроконтроллер MC68334 является упрощенным вариантом MC68333, в котором исключены ЭСППЗУ, ОЗУ и модуль последовательного обмена QSM. Благодаря этому значительно снижена его стоимость, что весьма существенно для многих применений. Используется, главным образом, во встраиваемых системах управления.
    Микроконтроллер MC68335 - один из вариантов расширения модели MC68332, в котором значительно увеличено основное ОЗУ и введено ОЗУ таймера. Применяется в тех же областях, что и MC68332.
    Микроконтроллеры MC68336, 376 обладают наиболее широкими функциональными возможностями. Кроме TPU они содержит модуль конфигурируемого таймера CTM, имеющего четыре канала, которые программируются на выполнение различных функций. Для аналого-цифрового преобразования используется модуль QADC, который отличается от ADС, рассмотренного в разделе 3.5, введением буфера (очереди) данных. В модели MC68376 дополнительно введен модуль сетевого контроллера, реализующего промышленный протокол CAN. Эти модели служат для решения задач высокоточного регулирования и сложнофункционального управления.
    В состав семейства 68300 входят также ряд моделей, которые содержат типовые модули, используемые в микропроцессорных системах, или специализированные модули для специфических областей применения. Такие модели называются интегрированными микропроцессорами (MC68306, 307, 328, 340, 341, 349) и специализированными контроллерами (MC68322 - контроллер формирования изображений, MC68302, 356, 360 - коммуникационные контроллеры). Состав модулей, входящих в эти микропроцессоры и контроллеры, дан в табл.3.27.

Таблица 3.27. Состав модулей интегрированных микропроцессоров и специализированных контроллеров семейства M683xx

Модель Процессор ОЗУ бит Таймеры Послед.порт Модуль интеграции Дополнительные модули
МС68306 68EC000 - TC DUART SIM Контроллер ДОЗУ
МС68307 68EC000 - 2TC DUART MSB Контроллер шины M-bus (I2C)
MC68322 68EC000 - - - SIM Видеоконтроллер ,графический процессор контроллер ПДП-2кан., контроллер ДОЗУ
MC68328 68EC00 - 2TC UART SIM40 Контроллер ЖКИ, ТРВ
МС68330 CPU32 - - - SIM40 Контроллер PCMCIA
МС68340 CPU32 - 2TC DUART SIM40 Контроллер ПДП-2кан.
МС68341 CPU32 - 2TC DUART, SPI SIM41 Контроллер ПДП-2кан., ТРВ
МС68349 CPU030 4K + 2K 2TC DUART SIM49 Контроллер ПДП-2кан., ТРВ

Интегрированные микропроцессоры используют в качестве процессорного ядра различные варианты CPU32 - CPU030 или 68EC000. Модуль CPU030 содержит процессор CPU32+, обеспечивающий работу с 32-разрядными адресами и данными, и два модуля памяти: ОЗУ данных и конфигурируемый кэш команд. ОЗУ данных состоит из четырех блоков емкостью по 1 Кбайту, каждый из которых может быть размещен в любом месте адресного пространства. Конфигурируемый кэш команд состоит из четырех блоков, каждый из которых может работать как кэш-память емкостью 256 байт или ОЗУ емкостью 512 байт. Таким образом можно реализовать кэш команд емкостью до 1 Кбайта или ОЗУ емкостью до 2 Кбайт. Процессор 68EC000 представляет собой процессорное ядро микропроцессора MC68EC000, который функционально аналогичен MC68000.
    Большинство интегрированных микропроцессоров и специализированных контроллеров содержит два 16-разрядных таймера-счетчика, которые могут переключаться как тактовыми импульсами, так и внешними сигналами. Для последовательного обмена чаще всего применяются сдвоенные (DUART) или одиночные (UART) асинхронные приемо-передатчики (аналогичны микросхеме MC68681). В состав ряда моделей входят синхронные последовательные порты SPI или специальные синхронные порты SSI.
    В качестве модуля системной интеграции используются различные модификации SIM (см. раздел Модуль системной интеграции SIM). Модификации SIM40, 41, 49, 60 включают дополнительные выводы и специальный контроллер, обеспечивающий тестирование по стандарту JTAG. Модификации SIM41, 49 содержат таймер реального времени (ТРВ). Модификации SIM49, 60 обеспечивают работу с 32-разрядными шинами адреса и данных. Разные модификации SIM отличаются также числом формируемых сигналов разрешения выборки CS и некоторыми другими характеристиками. Модуль интеграции MSB в модели MC68307 обеспечивает интерфейс с шинами семейств 68000, 8051 и M-bus, реализующей промышленный протокол обмена I2C.
    Для интегрированных микропроцессоров и специализированных контроллеров характерно широкое использование таких дополнительных модулей, как контроллеры динамических ОЗУ, обеспечивающие периодическую регенерацию хранящейся в них информации, контроллеры прямого доступа к памяти (ПДП), обслуживающие обычно 2 канала обмена. Некоторые контроллеры содержат дополнительные RISC-процессоры, ориентированные на выполнение определенных функций. В модели MC68322 это графический процессор RGP, работающий совместно с контроллером принтера PVC. В моделях MC68302, 356, 360, которые рассматриваются в следующей главе, это коммуникационные процессоры CP или CPM, обеспечивающие управление сетями передачи информации с разными протоколами обмена. Контроллер MC68356 содержит в качестве дополнительного модуля 24-разрядный цифровой процессор сигналов (DSP) с памятью емкостью 10Кx24 бит, который аналогичен DSP5602, выпускаемому компанией МОТОРОЛА в качестве отдельного изделия. Модели MC68330, 356 имеют также контроллер для интерфейса с широко используемой в последнее время шиной PCMCIA. Модель 68328 содержит контроллер широкоформатного жидкокристаллического дисплея высокого разрешения.
    Данные микропроцессоры и контроллеры функционируют с максимальной тактовой частотой 16,20 или 25 МГц (для различных модификаций). Модели MC68307, 328, 330, 340, 341, 349 имеют модификации, работающие при пониженном напряжении питания Vdd = 3,3 В, которые используются в портативной аппаратуре.
    Основной областью применения интегрированных микропроцессоров MC68306, 307, 322, 328 являются вычислительные и управляющие устройства, встраиваемые в различную аппаратуру. Там же находят применение и микропроцессоры MC68330, которые имеют более мощный процессор, но содержат ограниченный набор дополнительных блоков. Данная модель отличается более низкой стоимостью. Модель MC68340 имеет достаточно широкий набор дополнительных модулей и используется в устройствах, требующих быстрой передачи и обработки больших массивов данных, например, в контроллерах дисковых накопителей. Модель MC68341 разработана для управления накопителями на компакт-дисках (CD-ROM). Модель MC68349, имеющая наиболее широкие функциональные возможности, предназначена для реализации компактных и высокопроизводительных систем управления и обработки данных, встраиваемых в связную, контрольно-измерительную, медицинскую и другую аппаратуру.
    Контроллер MC68322 используется, главным образом, в лазерных принтерах и других высокопроизводительных печатающих устройствах. Контроллер MC68328 ориентирован на применение в сложнофункциональной портативной аппаратуре с широкоформатными жидкокристаллическими дисплеями.
    Коммуникационные контроллеры MC68302, 356, 360 предназначены для использования в системах обмена информацией. Особенности их функционирования рассмотрены в следующей главе.





 
Впервые? | Реклама на сайте | О проекте | Карта портала
тел. редакции: +7 (995) 900 6254. e-mail:info@eust.ru
©1998-2023 Рынок Микроэлектроники